Pasirinkite savo šalį ar regioną.

Close
Prisijungti Registruotis El. Paštas:Info@Ocean-Components.com
0 Item(s)

CM6149R-683

API DelevanAPI Delevan
CM6149R-683 Image
Vaizdas gali būti atvaizdavimas. Žr. Produkto detalių specifikacijas.

Produkto peržiūra

Dalies numeris: CM6149R-683
Gamintojas / Gamintojas: API Delevan
Prekės aprašymas CMC 68UH 2A 2LN SMD
Duomenų lapai: CM6149R-683.pdf
RoHs statusas Švinas nemokamas / RoHS atitinka
Akcijų būklė 9436 pcs stock
Laivas iš Honkongas
Siuntimo būdas DHL/Fedex/TNT/UPS/EMS
In Stock 9436 pcs
standartinė kaina (JAV doleriais)
400 pcs
$3.789
Užklausos citata
Prašome užpildyti visus reikiamus laukus su savo kontaktine informacija. Spustelėkite „ SUBMIT RFQ “, mes netrukus susisieksime su jumis elektroniniu paštu. Arba rašykite mums:Info@Ocean-Components.com
  • Tikslinė kaina:(USD)
  • Kiekis:
Iš viso:$3.789

Nurodykite mums savo tikslinę kainą, jei kiekiai yra didesni nei rodomi.

  • Dalies numeris
  • Įmonės pavadinimas
  • Kontaktinis vardas
  • El. Paštas
  • Pranešimas

CM6149R-683 specifikacijos

Dalies numeris CM6149R-683 Gamintojas API Delevan
apibūdinimas CMC 68UH 2A 2LN SMD "Lead Free Status / RoHS" statusas Švinas nemokamas / RoHS atitinka
Galimas kiekis 9436 pcs Duomenų lapas CM6149R-683.pdf
Įtampos įvertinimas - DC - Įtampos įvertinimas - AC -
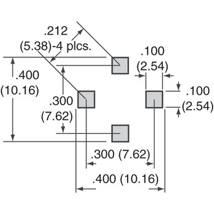
Dydis / Matmenys 0.285" L x 0.285" W (7.24mm x 7.24mm) Serija CM6149R
Reitingai - Pakuotė Bulk
Paketas / dėžutė Horizontal, 4 PC Pad Kiti vardai CM6149R-683 BULK 100
DN42145
Darbinė temperatūra -55°C ~ 105°C Linijų skaičius 2
Montavimo tipas Surface Mount Drėgmės jautrumo lygis (MSL) 1 (Unlimited)
Gamintojo standartinis pratęsimo laikas 9 Weeks "Lead Free Status / RoHS" statusas Lead free / RoHS Compliant
Induktyvumas @ Dažnis 68µH @ 10kHz Aukštis (maks.) 0.210" (5.33mm)
Filtro tipas - funkcijos -
Išsamus aprašymas 68µH @ 10kHz 2 Line Common Mode Choke Surface Mount 2A DCR 20 mOhm DC rezistorius (DCR) (maks.) 20 mOhm
Dabartinis įvertinimas (maks.) 2A Patvirtinimai -

Siuntimas

★ NEMOKAMAS PRISTATYMAS DHL / FEDEX / UPS, JEI UŽSAKYTI Didesnę kaip 1 000 USD sumą.
(TIK integruotoms grandinėms, grandinių apsaugai, RF / IF ir RFID, optoelektronikai, jutikliams, keitikliams, transformatoriams, izoliatoriams, jungikliams, relėms)

FEDEX www.FedEx.com Nuo 35,00 USD bazinis pristatymo mokestis priklauso nuo zonos ir šalies.
DHL www.DHL.com Nuo 35,00 USD bazinis pristatymo mokestis priklauso nuo zonos ir šalies.
UPS www.UPS.com Nuo 35,00 USD bazinis pristatymo mokestis priklauso nuo zonos ir šalies.
TNT www.TNT.com Nuo 35,00 USD bazinis pristatymo mokestis priklauso nuo zonos ir šalies.

★ Pristatymo laikas į DHL / UPS / FEDEX / TNT į didžiąją pasaulio šalių dalį bus 2–4 dienos.

Jei turite klausimų dėl siuntos, susisiekite su mumis. Rašykite mums el. Paštu info@Ocean-Components.com
FedexDHLUPSTNT

PO PARDAVIMO GARANTIJOS

  1. Kiekvienam „Ocean-Components.com“ gaminiui buvo suteiktas 1 metų garantinis laikotarpis. Per šį laikotarpį galėtume suteikti nemokamą techninę priežiūrą, jei kiltų kokių nors problemų dėl mūsų gaminių.
  2. Jei gavę juos susidursite su mūsų produktų kokybės problemomis, galėtumėte jas išbandyti ir kreiptis dėl besąlyginės grąžinamosios išmokos, jei tai gali būti įrodyta.
  3. Jei produktai turi trūkumų arba jie neveikia, galite grąžinti mums per 1 metus, visus prekių transportavimo ir muito mokesčius apmokame mes.

Susijusios žymės

Susiję produktai

CM6200
CM6200
Gamintojai: AMI Semiconductor / ON Semiconductor
apibūdinimas: FILTER RC(PI) ESD SMD
Sandelyje: 4493 pcs
parsisiųsti: CM6200.pdf
RFQ
CM6247-000
CM6247-000
Gamintojai: Agastat Relays / TE Connectivity
apibūdinimas: HEXASHIELD ADAPTER
Sandelyje: 93 pcs
parsisiųsti: CM6247-000.pdf
RFQ
CM6149R-224
CM6149R-224
Gamintojai: API Delevan
apibūdinimas: CMC 220UH 1A 2LN SMD
Sandelyje: 9379 pcs
parsisiųsti: CM6149R-224.pdf
RFQ
CM6245-000
CM6245-000
Gamintojai: Agastat Relays / TE Connectivity
apibūdinimas: HEXASHIELD ADAPTER
Sandelyje: 96 pcs
parsisiųsti: CM6245-000.pdf
RFQ
CM6149R-684
CM6149R-684
Gamintojai: API Delevan
apibūdinimas: CMC 680UH 500MA 2LN SMD
Sandelyje: 18477 pcs
parsisiųsti: CM6149R-684.pdf
RFQ
CM6205
CM6205
Gamintojai: AMI Semiconductor / ON Semiconductor
apibūdinimas: FILTER RC(PI) 15 OHM/0.005UF SMD
Sandelyje: 4731 pcs
parsisiųsti: CM6205.pdf
RFQ
CM6149R-253
CM6149R-253
Gamintojai: API Delevan
apibūdinimas: CMC 25UH 3A 2LN SMD
Sandelyje: 9499 pcs
parsisiųsti: CM6149R-253.pdf
RFQ
CM6149R-334
CM6149R-334
Gamintojai: API Delevan
apibūdinimas: CMC 330UH 750MA 2LN SMD
Sandelyje: 16096 pcs
parsisiųsti: CM6149R-334.pdf
RFQ
CM6149R-473
CM6149R-473
Gamintojai: API Delevan
apibūdinimas: CMC 47UH 2.5A 2LN SMD
Sandelyje: 15421 pcs
parsisiųsti: CM6149R-473.pdf
RFQ
CM6170-000
CM6170-000
Gamintojai: Agastat Relays / TE Connectivity
apibūdinimas: COAX CABLE-TWINAXIAL
Sandelyje: 50381 pcs
parsisiųsti: CM6170-000.pdf
RFQ
CM6149R-225
CM6149R-225
Gamintojai: API Delevan
apibūdinimas: CMC 2.2MH 180MA 2LN SMD
Sandelyje: 8014 pcs
parsisiųsti: CM6149R-225.pdf
RFQ
CM6149R-474
CM6149R-474
Gamintojai: API Delevan
apibūdinimas: CMC 470UH 600MA 2LN SMD
Sandelyje: 16537 pcs
parsisiųsti: CM6149R-474.pdf
RFQ

Pramonės naujienos

Arduino rytoj vyks „Covid-19“ konferencija
Ja galės naudotis visi, kurie projekto metu naudojasi „Arduino“ suderinamais prietaisais, skirtai...
„Raytheon“ laimėjo „Space Force OCX“ sutartį pakeisti IBM rinkinį „GPS III“
Pagal sutarties sąlygas, kurios vertė siekia 378 mln. USD, tai pakeis IBM kompiuterius, šiuo metu...
500W PSU jūrinėms apkrovoms
Maitinamas iš vardinio 24 V paskirstyto maitinimo šaltinio (diapazonas nuo 18 iki 36 V). ENMA500D2...
„Melexis“ pristato salės efekto jutiklį, skirtą elektriniam vairavimui
Darbinė temperatūra yra nuo -40 ° C℃  ir 160 ℃, įmonė tvirtina, kad įrenginyje derinamas au...
„Nasa“ apdovanojo komercinio krovinio kontraktą už Mėnulio vartus į „SpaceX“
Pagal „Gateway Logistics Services“ sutarties sąlygas „SpaceX“ turės pristatyti kritiškai susl...
Patvirtinta „Covid-19“ 3D spausdinimo kaukė - tik MJF spausdintuvams, failai galimi
Sukurta Prahos Čekijos technikos universitete, jos Informatikos, robotikos ir kibernetikos institut...
„Toshiba“ pristato du 80 V N kanalo maitinimo blokus
Teigiama, kad šie prietaisai yra tinkami naudoti energijoje, kur svarbu mažo nuostolio reikalaujan...
Aviečių Pi varomas keturratis NAS su „Radxa SATA HAT“
Dviejų / keturių SATA HAT „Penta SATA HAT“ „Dual / Quad SATA HAT“ yra skirtas „Raspberry Pi 4...
JAV kosmoso pajėgos stebi mikro objektus su kosminės tvoros radaro stebėjimu
Sistema bus jautriausias paieškos radaras JAV kosminio stebėjimo tinkle ir, kaip teigiama, ji gali...